AIS-100 Setup Instructions

1. Install Terminals:

Press terminal block plug onto pin header J1

2. Attach power, contactor and probes:

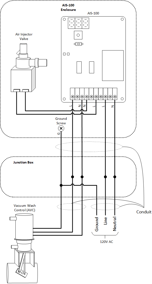
Connect the Air Injector Valve and Vacuum Wash Control (AVC) as shown in the image and provide 120V power. Route all wires through conduit. See manual for more details.

CAUTION: High Voltage - Disable power before servicing.

Apply power and configure the AIS-100 using a combination of the button, rotary knob and 7-segment display. Begin by pressing the button:

  • 1x to set the Air Injector On-Time in seconds from 2.0s to 26.5s

  • 2x to set the Air Injector Off-Time in seconds from 2.0s to 26.5s

  • 3x to set the AVC On-Time in seconds from 1.0s to 8.0s

  • 4x to set the AVC Frequency from 1 to 8

Turn the setup knob to adjust each value

The graph shows how the Air Injector times and AVC work together

3. Configure Settings:

See the manual for more detailed information